In recent times, we have observed a growing interest in encoders with an expanded aperture size. It's important to note that these products have consistently been part of our offerings, and today we would like to shed more light on our 135-160mm range.
These high-capacity encoders are specifically designed for applications in substantial machinery such as large motors, agricultural tractors, oil fields, ports, mining equipment, and the automation sector. Characterized by an impressive pulse count that can reach up to 10,000 P/R, they also boast exceptional resistance to interference, ensuring reliable performance in challenging environments.

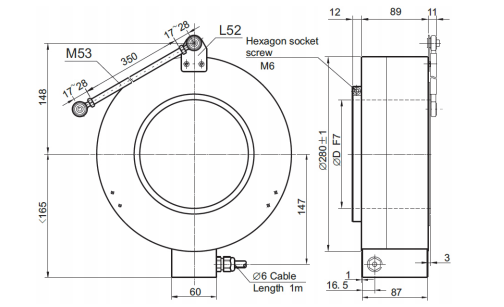
Our selection of large aperture encoders, sized between 135-160mm, comes with multiple output options to meet diverse requirements. For your convenience, we have provided dimensional drawings that give a detailed overview of the product specifications.

Customization Process
To better cater to individual needs, we invite you to send your specific requirements directly to us via WeChat on our mobile phone. Based on your actual needs, we will tailor the model accordingly. Alternatively, we can provide a selection guide that you can use to make your choices.
Given the limited availability of such encoders in the market, our development of these large aperture models aims to fill the gap in various application scenarios. This is particularly beneficial for situations where certain imported products have been discontinued or are difficult to procure, allowing for a direct substitution with our offerings.
Should you have any interest or requirements for these encoders, please do not hesitate to get in touch with us for further discussion. We are here to ensure that your needs are met with the highest quality and precision.

